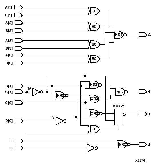
Figure 5.2 Circuit for Relational Operators

Circuit for Relational Operators figures/x8674.gif