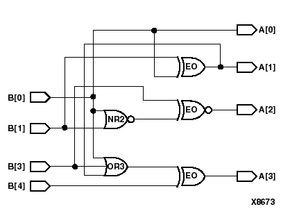
Figure 5.4 Circuit for Unary (Signed) Operators

Circuit for Unary (Signed) Operators figures/x8673.gif