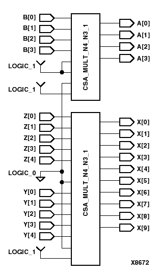
Figure 5.6 Circuit for Multiply Operator (*) Using Synthetic Cells

Circuit for Multiply Operator (*) Using Synthetic Cells figures/x8672.gif