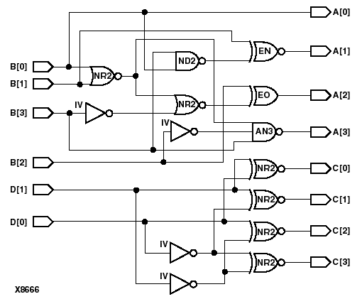
Figure 5.7 Circuit for Miscellaneous Arithmetic Operators

Circuit for Miscellaneous Arithmetic Operators figures/x8666.gif