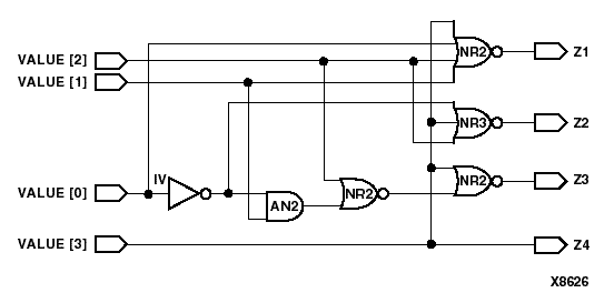
Figure 6.4 Circuit for case Statement with Integers

Circuit for case Statement with Integers figures/x8626.gif