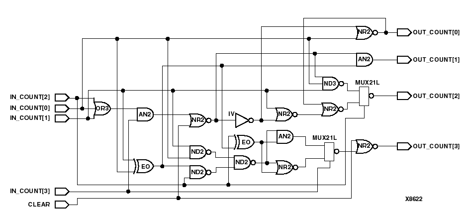
Figure 7.1 Circuit for Modulo-10 Counter Process

Circuit for Modulo-10 Counter Process figures/x8622.gif