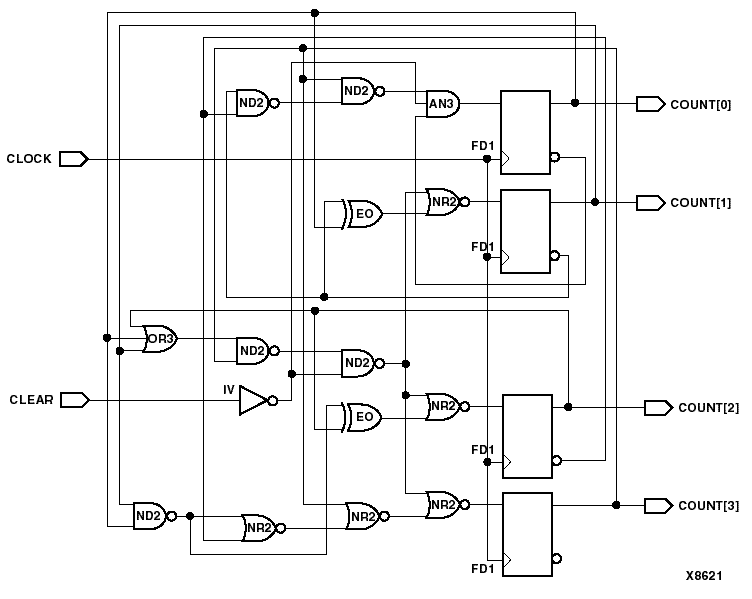
Figure 7.2 Circuit for Modulo-10 Counter Process with wait Statement

Circuit for Modulo-10 Counter Process with wait Statement figures/x8621.gif