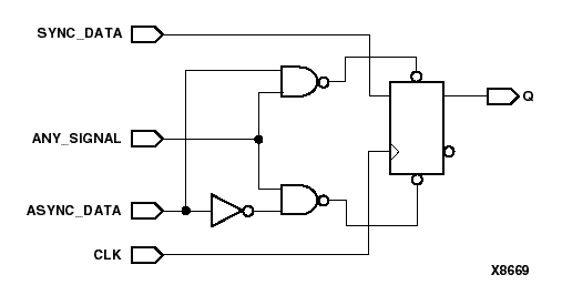
Figure 8.8 Circuit for Inferred Flip-flop with Asynchronous Set or Clear

Circuit for Inferred Flip-flop with Asynchronous Set or Clear figures/x8669.gif