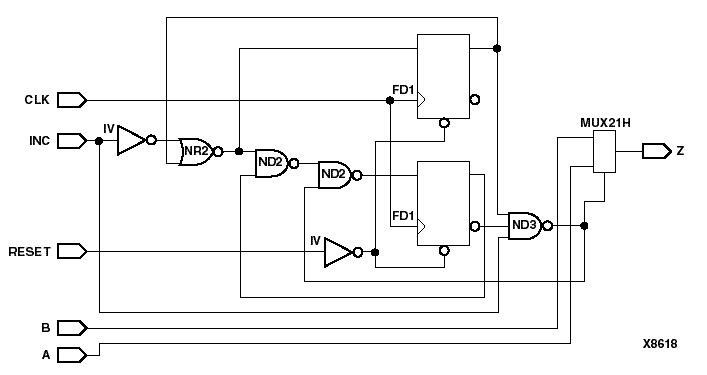
Figure 8.9 Circuit for a Synchronous Finite State Machine with Asynchronous Reset

Circuit for a Synchronous Finite State Machine with Asynchronous Reset figures/x8618.gif