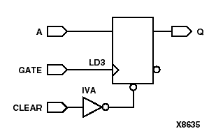
Figure 8.10 Circuit for Inferred Latch with Asynchronous Clear

Circuit for Inferred Latch with Asynchronous Clear figures/x8635.gif