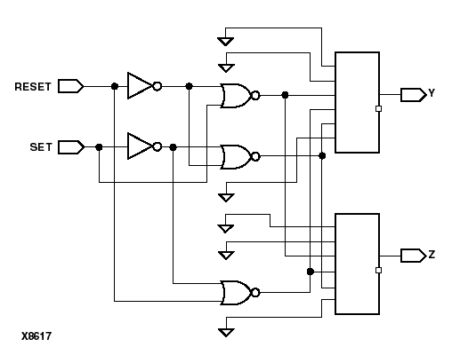
Figure 8.12 Circuit for an Asynchronous Set/Reset on a Single Block

Circuit for an Asynchronous Set/Reset on a Single Block figures/x8617.gif