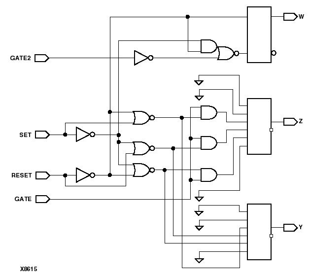
Figure 8.14 Circuit for an Asynchronous Set/Reset on Part of a Design

Circuit for an Asynchronous Set/Reset on Part of a Design figures/x8615.gif