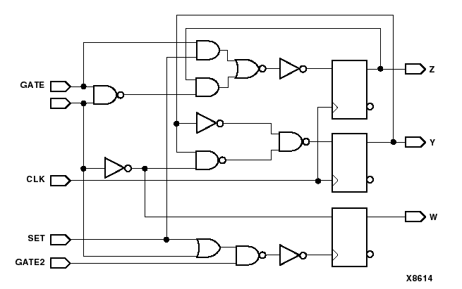
Figure 8.15 Circuit for a Synchronous Set/Reset on a Part of a Design

Circuit for a Synchronous Set/Reset on a Part of a Design figures/x8614.gif