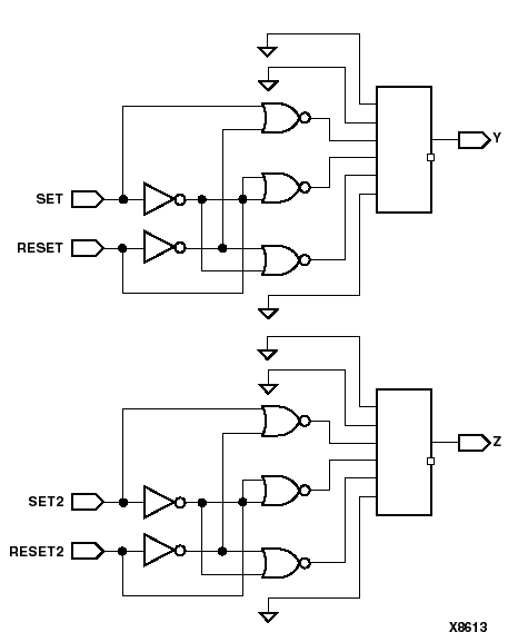
Figure 8.16 Circuit for one_hot for Set and Reset

Circuit for one_hot for Set and Reset figures/x8613.gif