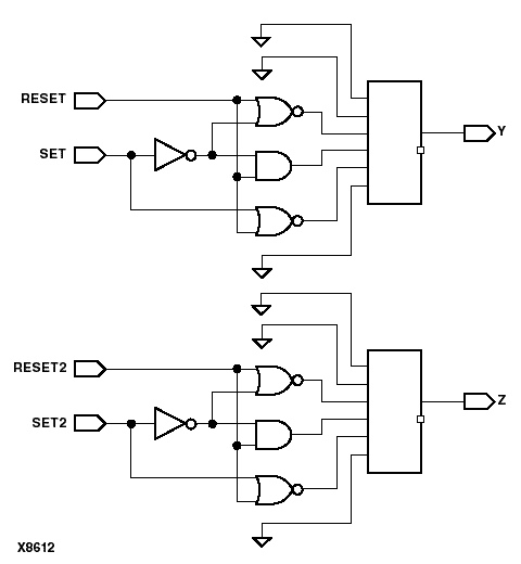
Figure 8.17 Circuit for one_cold for Set and Reset

Circuit for one_cold for Set and Reset figures/x8612.gif