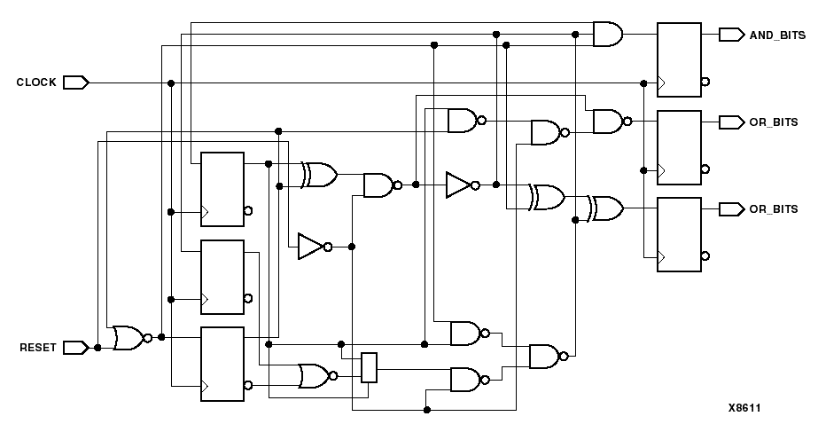
Figure 8.18 Circuit with Six Implied Registers

Circuit with Six Implied Registers figures/x8611.gif