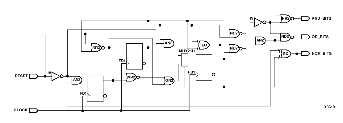
Figure 8.19 Circuit with Three Implied Registers

Circuit with Three Implied Registers figures/x8610.gif