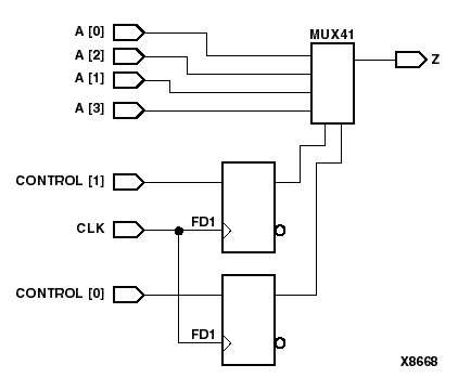
Figure 8.20 Circuit for Two Processes: One Synchronous, One Asynchronous

Circuit for Two Processes: One Synchronous, One Asynchronous figures/x8668.gif