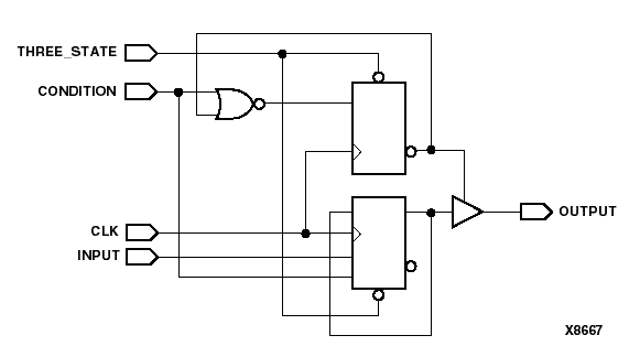
Figure 8.21 Circuit for a Three-State Inferred with Registered Enable

Circuit for a Three-State Inferred with Registered Enable figures/x8667.gif