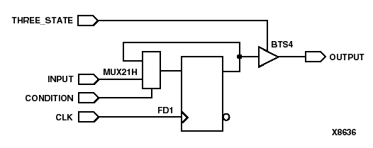
Figure 8.22 Circuit for Latched Three-State with Flip-flop on Input

Circuit for Latched Three-State with Flip-flop on Input figures/x8636.gif