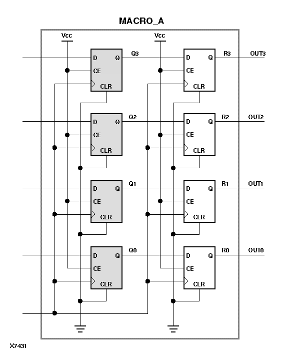
Figure 6.2 Using Qualifiers with Predefined Groups