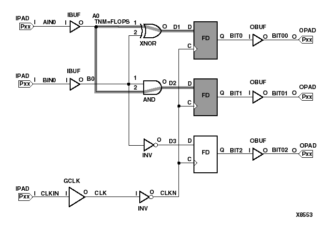
TNM on Net Used to Group Flip-Flops

Figure 6.7 TNM on Net Used to Group Flip-Flops