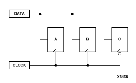
Using Timegroups with Registers

Figure 6.15 Using Timegroups with Registers