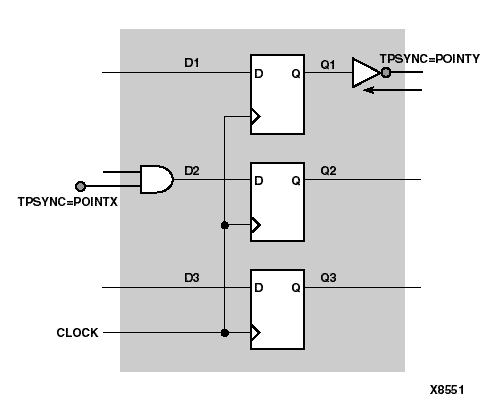
Figure 6.18 TPSYNCs Attached to Macro Pins