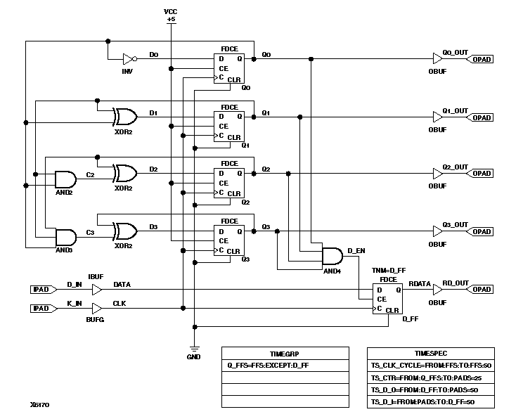
Figure 6.20 Example of Using TNMs and TIMEGRPs in a Schematic