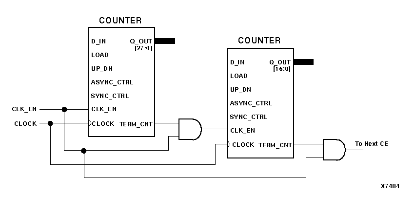
Cascading Counters with Clock Enable

Figure 4.9 Cascading Counters with Clock Enable