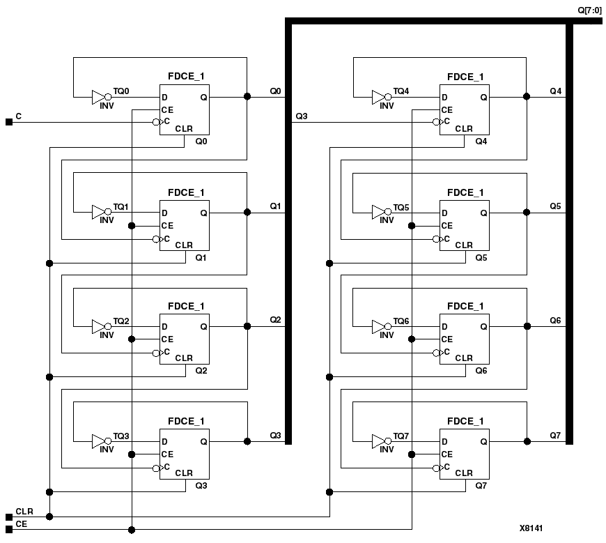
Figure 4.49 CR8CE Implementation XC3000