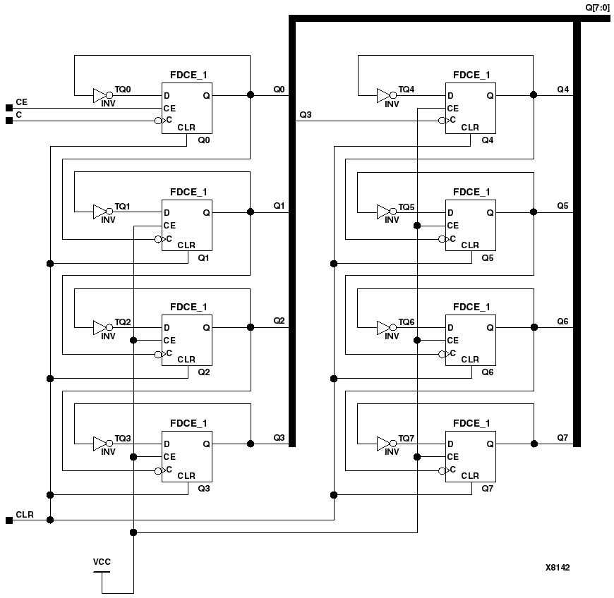
Figure 4.50 CR8CE Implementation XC4000E, XC4000X, XC5200, Spartan, SpartanXL, Spartan2, Virtex