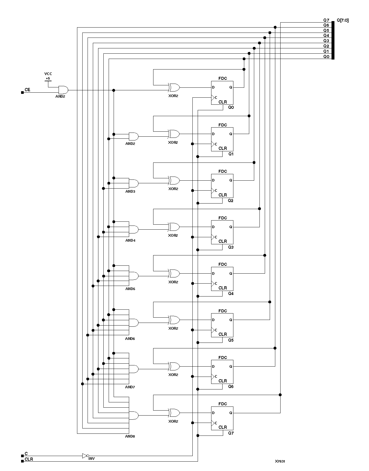
Figure 4.51 CR8CE Implementation XC9000