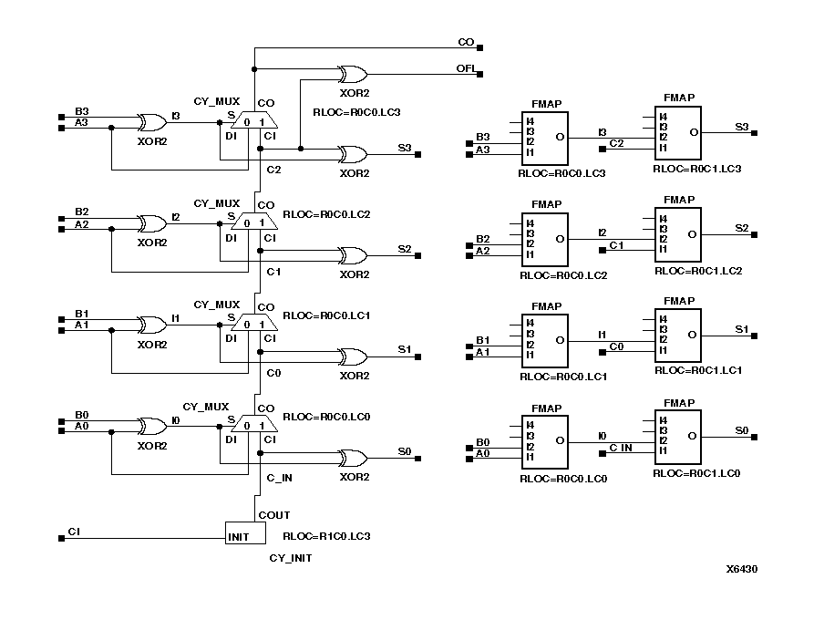
CY_MUX 4-Bit Adder Schematic XC5200

Figure 4.53 CY_MUX 4-Bit Adder Schematic XC5200