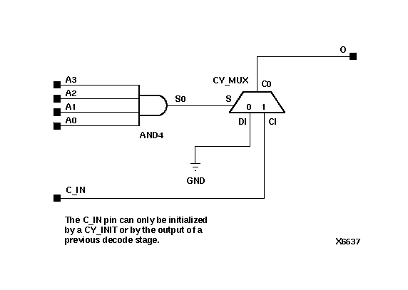
Figure 4.57 DEC_CC4 Implementation XC5200