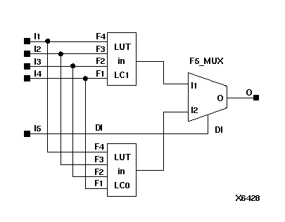
Two LUTs in Parallel Combined to Create a 5-Input Function

Figure 5.1 Two LUTs in Parallel Combined to Create a 5-Input Function