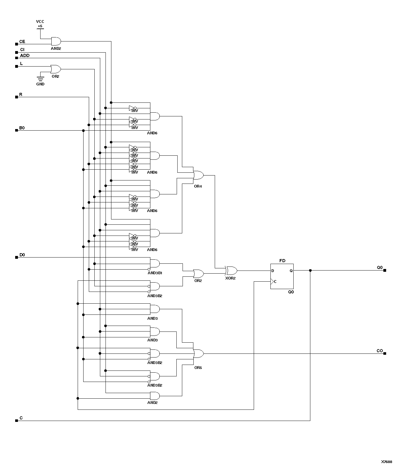
Figure 3.1 ACC1 Implementation XC9000