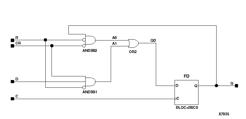
Figure 5.21 FDRE Implementation XC3000, XC4000E, XC4000X, XC5200, Spartan, SpartanXL