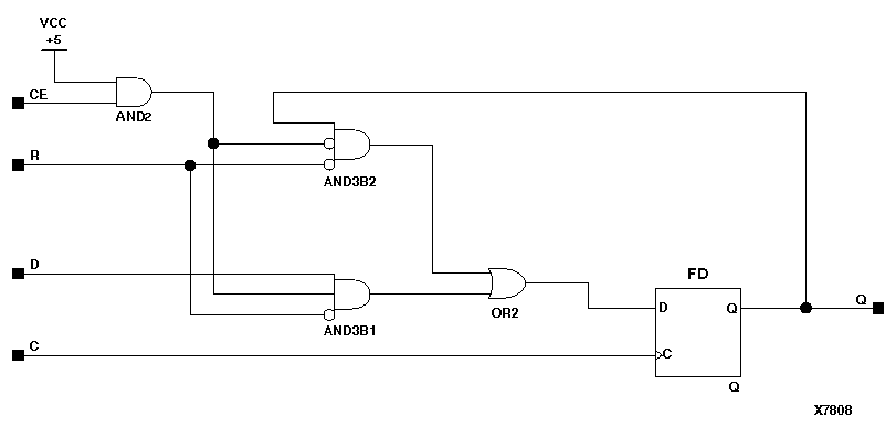
Figure 5.22 FDRE Implementation XC9000