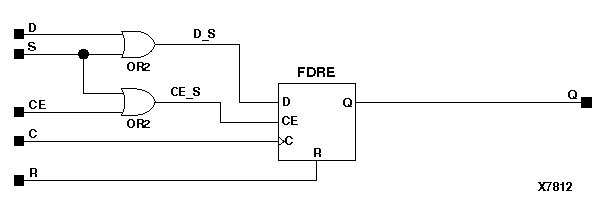
Figure 5.25 FDRSE Implementation XC3000, XC4000E, XC4000X, XC5200, Spartan, SpartanXL