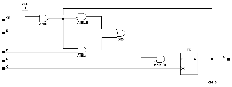
Figure 5.26 FDRSE Implementation XC9000