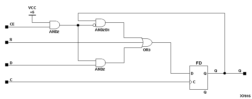
Figure 5.29 FDSE Implementation XC9000