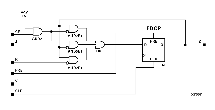
Figure 5.39 FJKCPE Implementation XC9000