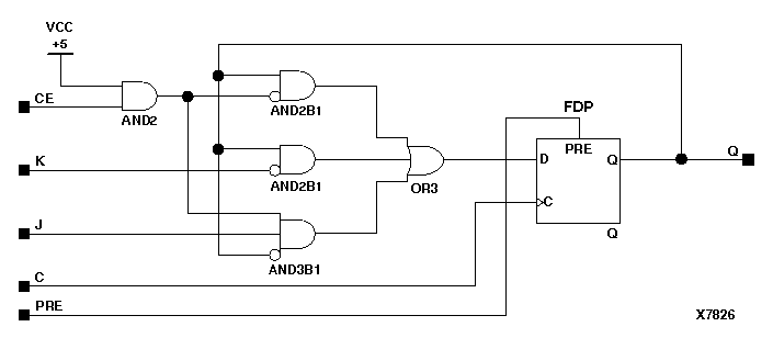
Figure 5.43 FJKPE Implementation XC9000