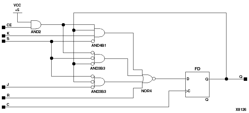
Figure 5.45 FJKRSE Implementation XC9000