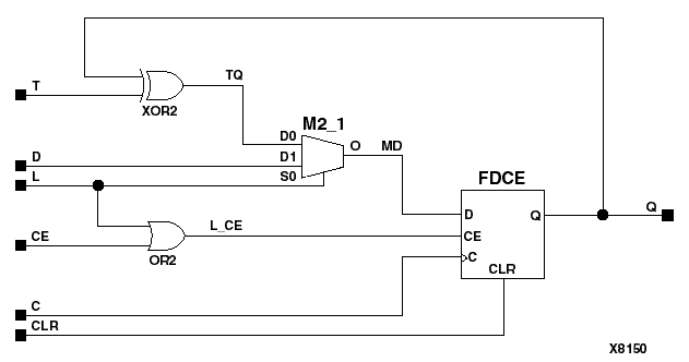
Figure 5.53 FTCLE Implementation XC3000