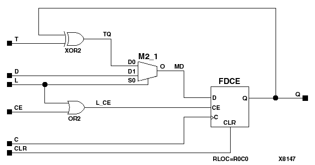
Figure 5.54 FTCLE Implementation XC4000E, XC4000X, XC5200, Spartan, SpartanXL, Spartan2, Virtex