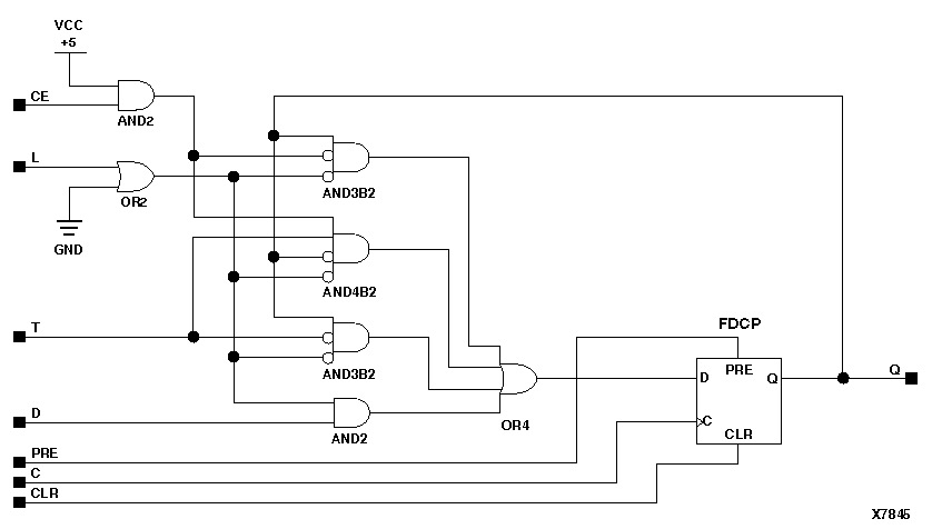
Figure 5.58 FTCPLE Implementation XC9000