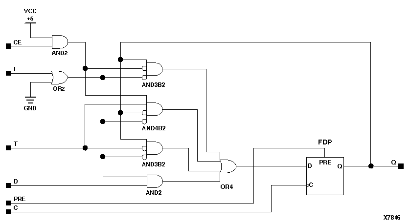
Figure 5.64 FTPLE Implementation XC9000