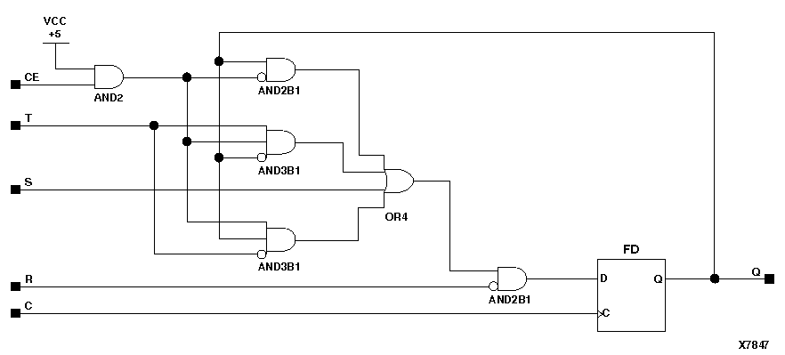
Figure 5.66 FTRSE Implementation XC9000