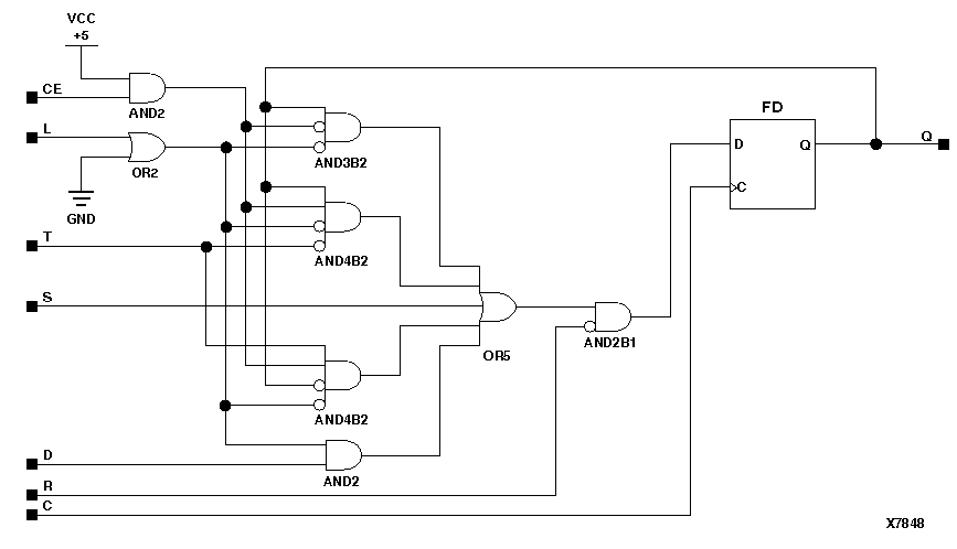
Figure 5.68 FTRSLE Implementation XC9000