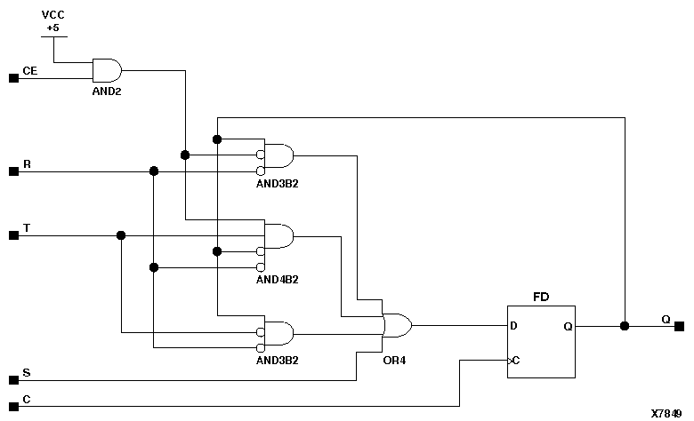
Figure 5.70 FTSRE Implementation XC9000