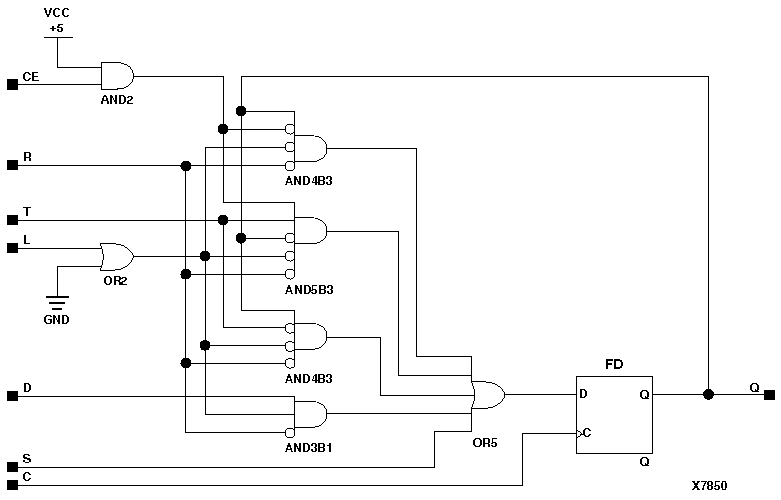
Figure 5.72 FTSRLE Implementation XC9000