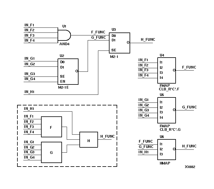
Figure 6.2 Partitioning Logic Using FMAP and HMAP Symbols